Схемы Macbook [2015, PDF, ENG]

Страницы:  1

Ответить
 

Serenity


Схемы Macbook
Год: 2015
Количество моделей: 25
Язык: Английский
Формат: PDF
Качество: Отсканированные страницы + слой распознанного текста
Описание: Схемы ноутбуков производства компании Apple
Доп. информация: Для просмотра понадобится любая программа для просмотра PDF

Список моделей

a1181/a1342/a1229 И прочие .
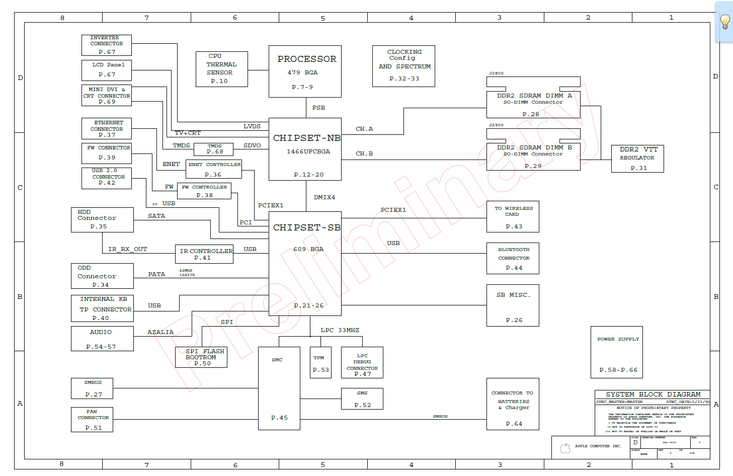
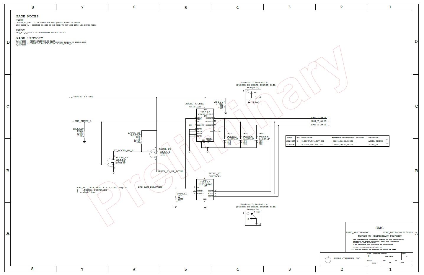
Примеры страниц:-
Download

Скачать .torrent файл

Сайт не распространяет и не хранит электронные версии произведений, а лишь предоставляет доступ к создаваемому пользователями каталогу ссылок на торрент-файлы, которые содержат только списки хеш-сумм

 
logo
Error